Výstupní toroidy
Výstupní toroidy s kabelovou příchytkou stínění
Použití
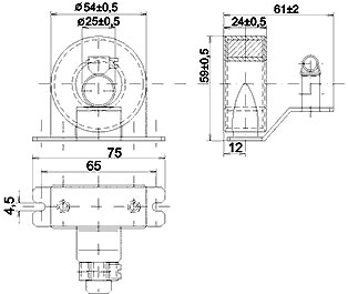
Výstupní toroidy jsou určeny k použití na výstupu frekvenčního měniče k potlačení rušení (obzvláště v pásmu cca 1 - 5MHz) a k omezení vysokofrekvenčních kapacitních proudů tekoucích mezi fázovými vodiči a stíněním motorového kabelu. Toroid je opatřen kovovou objímkou pro dokonalé připojení stínění motorového kabelu, proto je třeba toroid připevnit pomocí dvou šroubů M4 na kovovou základnu společnou pro frekvenční měnič i pro odrušovací filtr a to co nejblíže výstupním svorkám frekvenčního měniče.
Na toroid se navine 2,5 závitu všemi fázovými vodiči paralelně (ochranný vodič PE musí být veden mimo toroid) a stínění se zapojí pod objímku (obr. provedení). Maximální průřez a doporučená délka vodičů pro jednotlivé velikosti toroidů je uvedena v tabulce. K délce vodičů ("d") je třeba připočíst vzdálenost mezi toroidem a svorkami frekvenčního měniče ("c") a součet je délka "l" (l=d+c) dle obrázku provedení.





